Nächste Seite:
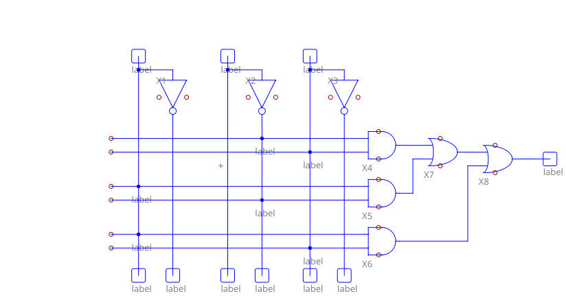
./vhdl20250304/quine20250129.txt
Aufwärts:
pics
Vorherige Seite:
./vhdl20250304/quine20250125.vhdl
quine20250129.png