2025-01-21

Image quine20250121


(C) David Vajda
Tue Jan 21 07:36:56 2025
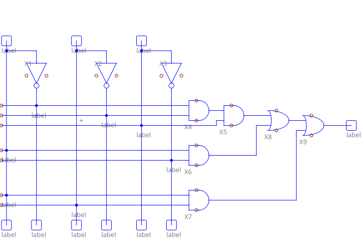
3 Network - TTL - Disjunktive Normalform

	x2	x1	x0		y
 0	0	0	0		0
 1	0	0	1		1
 2	0	1	0		0
 3	0	1	1		0
 4	1	0	0		1
 5	1	0	1		0
 6	1	1	0		1
 7	1	1	1		1


	x2	x1	x0		y
 1	0	0	1		1
 4	1	0	0		1
 6	1	1	0		1
 7	1	1	1		1


	x2	x1	x0		y
Gruppe 1:
 1	0	0	1		1
 4	1	0	0		1
Gruppe 2:
 6	1	1	0		1
Gruppe 3:
 7	1	1	1		1

1		0	0	1
4:6		1	-	0
6:7		1	1	-

		1	4	6	7
1		+
4:6			+	+
6:7				+	+

1		0	0	1
4:6		1	-	0
6:7		1	1	-

	y	<=	(not x2 and not x1 and x0) or
			(x2 and not x0) or
			(x2 and x1);

library ieee;
use ieee.std_logic_1164.all;

entity quine20250121 is
port (
	x2, x1, x0: in std_logic;
	y: out std_logic
);
end;

architecture behaviour of quine20250121 is
begin
	y	<=	(not x2 and not x1 and x0) or
			(x2 and not x0) or
			(x2 and x1);
end;

library ieee;
use ieee.std_logic_1164.all;

entity quine20250121testbench is
port (
	y: out std_logic
);
end;

architecture behaviour of quine20250121testbench is
	component quine20250121
	port (
		x2, x1, x0: in std_logic;
		y: out std_logic
	);
	end component;
	signal x2, x1, x0: std_logic;
begin
	q: quine20250121 PORT MAP (x2=>x2, x1=>x1, x0=>x0, y=>y);

Image Screenshot_20250121_074458

Image Screenshot_20250121_074523


-- (C) David Vajda
-- Tue Jan 21 07:36:56 2025
-- 3 Network - TTL - Disjunktive Normalform

library ieee;
use ieee.std_logic_1164.all;

entity quine20250121 is
port (
	x2, x1, x0: in std_logic;
	y: out std_logic
);
end;

architecture behaviour of quine20250121 is
begin
	y	<=	(not x2 and not x1 and x0) or
			(x2 and not x0) or
			(x2 and x1);
end;

library ieee;
use ieee.std_logic_1164.all;

entity quine20250121testbench is
port (
	y: out std_logic
);
end;

architecture behaviour of quine20250121testbench is
	component quine20250121
	port (
		x2, x1, x0: in std_logic;
		y: out std_logic
	);
	end component;
	signal x2, x1, x0: std_logic;
begin
	q: quine20250121 PORT MAP (x2=>x2, x1=>x1, x0=>x0, y=>y);
	x0 <= '0' after 0 ns, '1' after 10 ns, '0' after 20 ns, '1' after 30 ns, '0' after 40 ns, '1' after 50 ns, '0' after 60 ns, '1' after 70 ns, '0' after 80 ns;

	x1 <= '0' after 0 ns, '0' after 10 ns, '1' after 20 ns, '1' after 30 ns, '0' after 40 ns, '0' after 50 ns, '1' after 60 ns, '1' after 70 ns, '0' after 80 ns;

	x2 <= '0' after 0 ns, '0' after 10 ns, '0' after 20 ns, '0' after 30 ns, '1' after 40 ns, '1' after 50 ns, '1' after 60 ns, '1' after 70 ns, '0' after 80 ns;
end;