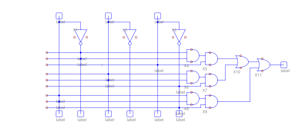
-- (C) David Vajda -- Sat Jan 11 10:13:00 2025 -- 3 Network - TTL - Disjunktive Normalform library ieee; use ieee.std_logic_1164.all; entity quine20250111 is port ( x2, x1, x0: in std_logic; y: out std_logic ); end; architecture behaviour of quine20250111 is begin y <= (not x2 and x0) or (x1 and not x0) or (x2 and not x0); end; library ieee; use ieee.std_logic_1164.all; entity quine20250111testbench is port ( y: out std_logic ); end; architecture behaviour of quine20250111testbench is component quine20250111 port ( x2, x1, x0: in std_logic; y: out std_logic ); end component; signal x2, x1, x0: std_logic; begin q: quine20250111 PORT MAP (x2=>x2, x1=>x1, x0=>x0, y=>y); x0 <= '0' after 0 ns, '1' after 10 ns, '0' after 20 ns, '1' after 30 ns, '0' after 40 ns, '1' after 50 ns, '0' after 60 ns, '1' after 70 ns, '0' after 80 ns; x1 <= '0' after 0 ns, '0' after 10 ns, '1' after 20 ns, '1' after 30 ns, '0' after 40 ns, '0' after 50 ns, '1' after 60 ns, '1' after 70 ns, '0' after 80 ns; x2 <= '0' after 0 ns, '0' after 10 ns, '0' after 20 ns, '0' after 30 ns, '1' after 40 ns, '1' after 50 ns, '1' after 60 ns, '1' after 70 ns, '0' after 80 ns; end; |