quine20250327.txt

Image quine20250327

Videos zu TTL schaltungen - bitte bringen sie sie selbst mti der richtigen reihenfolge in verbindung

Bilder zu TTL schaltungen - bitte bringen sie sie selbst mti der richtigen reihenfolge in verbindung


(C) David Vajda
Thu Mar 27 08:50:49 2025
3 Network - TTL - Disjunktive Normalform

	x2	x1	x0		y
 0	0	0	0		0
 1	0	0	1		0
 2	0	1	0		1
 3	0	1	1		1
 4	1	0	0		1
 5	1	0	1		0
 6	1	1	0		1
 7	1	1	1		0


	x2	x1	x0		y
 2	0	1	0		1

 3	0	1	1		1
 4	1	0	0		1
 6	1	1	0		1


	x2	x1	x0		y
Gruppe 1:
 2	0	1	0		1
 4	1	0	0		1
Gruppe 2:
 3	0	1	1		1
 6	1	1	0		1

2:3		0	1	-
2:6		-	1	0
4:6		1	-	0


2:6		-	1	0
4:6		1	-	0
2:3		0	1	-

		2	3	4	6
2:6		+			+
4:6				+	+
2:3		+	+


		2	3	4	6
4:6				+	+
2:3		+	+


4:6		1	-	0
2:3		0	1	-


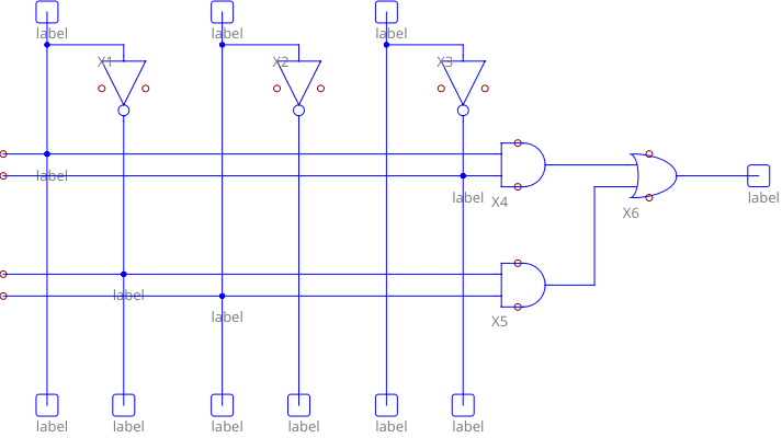
	y	<=	(x2 and not x0) or
			(not x2 and x1);

library ieee;
use ieee.std_logic_1164.all;

entity quine20250327 is
port (
	x2, x1, x0: in std_logic;
	y: out std_logics
);
end;

architecture behaviour of quine20250327 is
begin
	y	<=	(x2 and not x0) or
			(not x2 and x1);s
end;

library ieee;
use ieee.std_logic_1164.alls;

entity quine20250327testbench is
port (
	y: out std_logic+


);
end;

architecture behaviour of quine20250327testbench is
	component quine20250327
	port (
		x2, x1, x0: in std_logic;
		y: out std_logic
	);
	end component;
	signal x2, x1, x0: std_logic;
begin
	q: quine20250327 PORT MAP (x2=>x2, x1=>x1, x0=>x0, y=>y);


	x2	x1 	x0	y
	0	0	0	0
	0	0	1	0
	0	1	0	1
	0	1	1	1
	1	0	0	1
	1	0	1	0
	1	1	0	1
	1	1	1	1


	x2	x1	x0		y
/***********************************************************************************************************************************************************************************************************************************************************************************************************************************************************************************************************************************************************************************************************************************************************************************************************************************************************************************************************************************************************************************************************************************************************************************************************************************************************************************************************************************************************************************************************************************************************************************************************************************************************************************************************************************************************************************************************************************************************************************************************************************************************************************************************************************************************************************************************************************************************************************************************************************************************************************************************************************************************************************************************************************************************************************************************************************************************************************************************/************************************************************************************************************************************************************************************
 7	1	1	1		0