Nächste Seite:
pic 123
Aufwärts:
The 11 ...
Vorherige Seite:
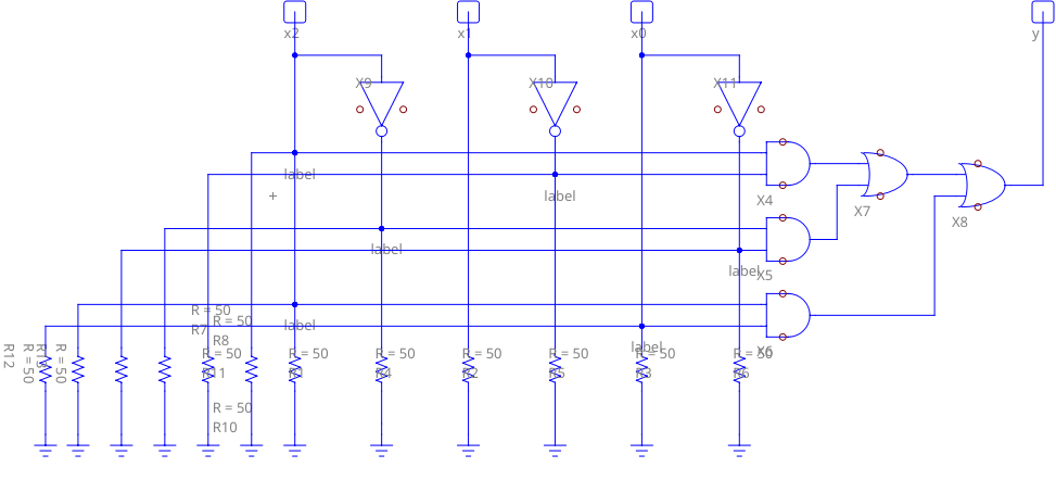
pic 121
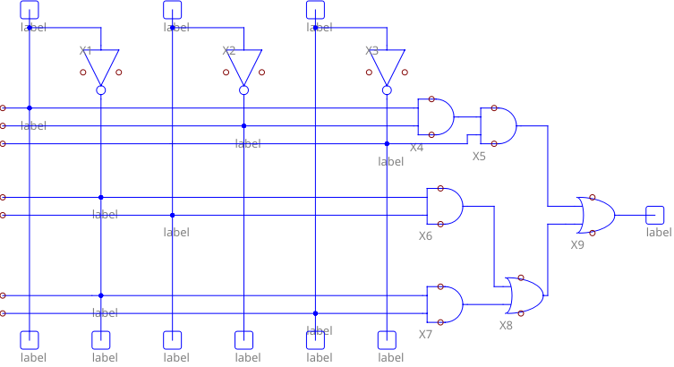
pic 122